|
| |
| 聯系我們 / CONTACT US |
|
| 河北嘉斯機械配件有限公司 |
| 手機:15930385188 13833801759 |
| 傳真:0318-3408528 |
| 地址:衡水市人民西路南護開發區3號 |
| Q Q:464188009 |
| 郵箱:hbjs@sztp.com |
| 網址:http://m.banggege.com |
|
|
| |
|
|
|
|
|
|
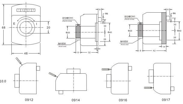
| 位置顯示器 09系列 JS.105002 |
發布日期:2016/4/22 10:06:02 |
| 產品瀏覽:4638
次 |
| 產品分類:調節指示系列產品
|
| 訂購熱線:15930385188 13833801759 |
 |
|
|
|
| 描述 |
JS.105002 位置顯示器 09系列 顏色:橙色、黑色 材質:工程塑料 用途:廣泛適用于木工、包裝印刷、食品等機械上的指示與調節 特性:外形美觀、方便實用



|
|
|
| |
 |
|
|
|