|
| |
| 聯系我們 / CONTACT US |
|
| 河北嘉斯機械配件有限公司 |
| 手機:15930385188 13833801759 |
| 傳真:0318-3408528 |
| 地址:衡水市人民西路南護開發區3號 |
| Q Q:464188009 |
| 郵箱:hbjs@sztp.com |
| 網址:http://m.banggege.com |
|
|
| |
|
|
|
|
|
|
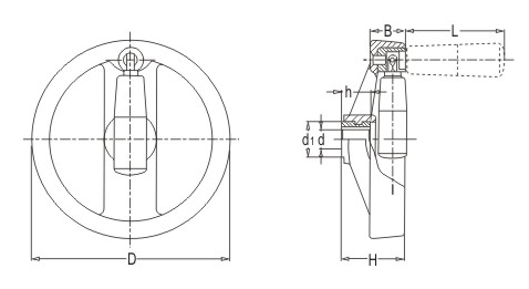
| 雙幅條手輪 JS.101004 |
發布日期:2016/4/11 10:08:16 |
| 產品瀏覽:7415
次 |
| 產品分類:手輪系列產品
|
| 訂購熱線:15930385188 13833801759 |
 |
|
|
|
| 描述 |
JS.101004 雙幅條手輪 顏色:啞光黑 材質:增強尼龍或鋁合金 用途:適用于各類機械裝備及精密儀器的調節 特性:啞光飾面,外形美觀。耐高溫、溶劑、機油及其他化學試劑。鋼制鐵芯表面處理防銹能力強。標準化使用,安裝簡便


|
|
|
| |
 |
|
|
|